Меню
Каталог
0
Корзина пуста
0
Корзина
0 Сравнение пусто 0 Сравнение
Каталог
Рейтинг:
0

Бобышки БС2 приварные

386
Количество:
Купить в один клик
Поделиться:

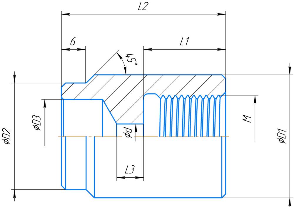
Бобышки БС2 приварные устанавливаются на месте эксплуатации путём приварки. Бобышки предназначены для установки датчиков с подвижным или неподвижным штуцером и подразделяются в зависимости от длины бобышки и размера присоединительной резьбы, а также материала бобышки. Бобышки по умолчанию изготавливаются из стали СТ20. Также они могут изготавливаться из нержавеющей стали 12Х18Н10Т(AISI304). В этом случае к обозначению добавляется через дефис буква «Н».

0000054

 

Авторизуйтесь, чтобы оставить комментарий
Если Вы уже зарегистрированы на нашем сайте, но забыли пароль или Вам не пришло письмо подтверждения, воспользуйтесь формой восстановления пароля.
Также Вы можете войти через:
Ознакомлен с пользовательским соглашением. Подробнее